Introducing Standex Detect, a New Name in Precision Electronics

Standex Detect is part of the newly rebranded Standex Electronics family. Our focus remains on precision reed switches, sensors, and relays that deliver the right design, at the right time, at the optimal cost. Read our press release to learn more about how this change strengthens our global collaboration and innovation.

English
Home Products Sensors Magnets and Actuators M21P/1 Series Magnet

M21P/1 Series Magnet

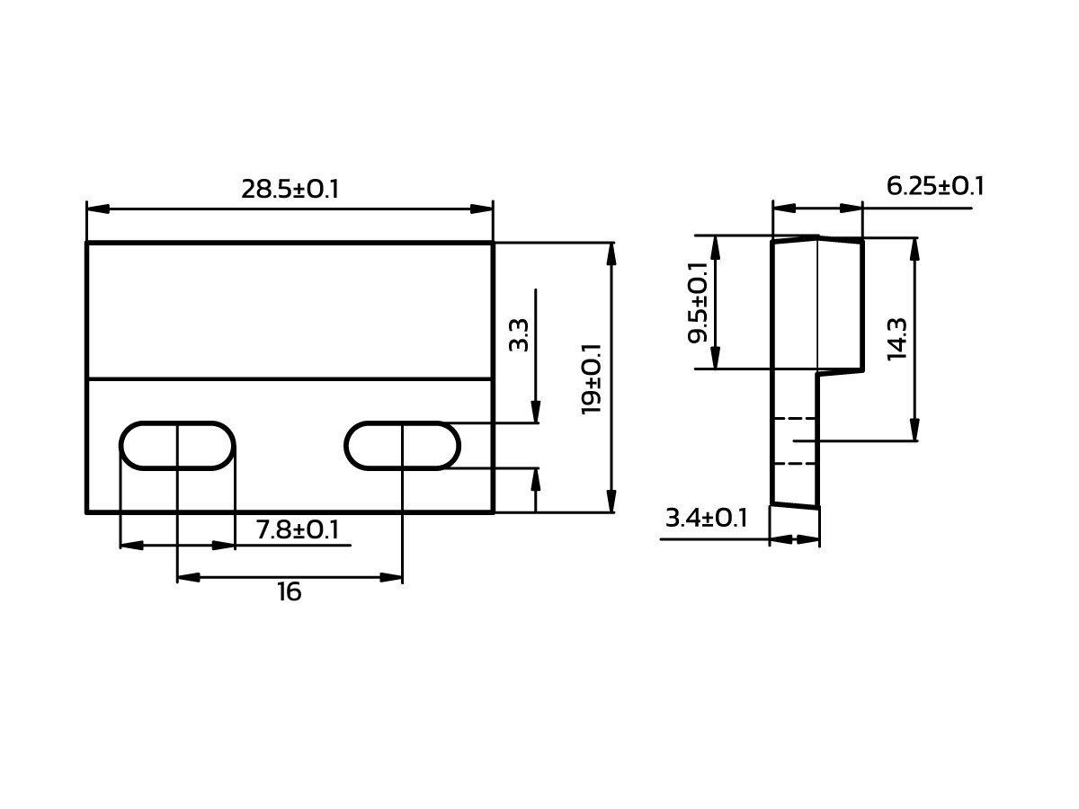
The M21P/1 Series offers a versatile sensor magnet housed for reliable proximity sensing in industrial and commercial applications. Available in two mounting configurations, horizontal slotted screw holes (M21P/1) and vertical slotted screw holes (M21P/2), this series provides flexible installation options to suit various mechanical layouts.

Designed to pair seamlessly with the MK21P, MK21M, and MK21PR Series reed sensors (sold separately), the M21P/1 magnet ensures precise and repeatable actuation. The sensor is mounted on a fixed surface, while the magnet is installed on a moving part, enabling accurate detection of position or motion.

  • Slotted screw-mount housing for flexible and secure installation
  • Horizontal slotted mounting holes
  • Optimized for MK21P, MK21M, and MK21PR Series reed sensors
  • Reliable proximity sensing for motion and position detection
  • Ideal for industrial automation, security systems, and OEM designs
Length:28.6 mm (1.125″)
Width:19.0 mm (0.748″)
Height:6.35 mm (0.25″)
  • Industrial Equipment: Position sensing in moving components
  • Security Systems: Door and window monitoring
  • Medical Devices: Actuation in compact assemblies
  • Consumer Electronics: Embedded magnetic triggering
  • Automotive: Proximity sensing in control systems

Contact Standex Detect