Introducing Standex Detect, a New Name in Precision Electronics

Standex Detect is part of the newly rebranded Standex Electronics family. Our focus remains on precision reed switches, sensors, and relays that deliver the right design, at the right time, at the optimal cost. Read our press release to learn more about how this change strengthens our global collaboration and innovation.

English
Home Products Sensors Proximity Sensors MH04 Series Hall Sensor

MH04 Series Hall Sensor

The MH04 Series Hall effect Sensors are engineered for precision and durability in demanding environments. Housed in a robust, flange-mounted rectangular casing with cable terminals, these sensors offer solid-state reliability and consistent performance across a wide temperature range.

Design Notes:

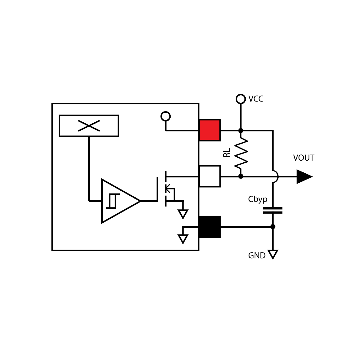
  • Add an external pull-up resistor (RL) between VCC and VOUT for sinking output.
  • Use a bypass capacitor (CBYP) near the sensor to minimize external noise.
  • Multiple Output Options: Available in switch, latch, and micro-power configurations to suit diverse application needs.
  • Low Power Consumption: Micro-power versions operate on just 5μA average current at 2.5–3.5V, significantly lower than the industry standard.
  • High Temperature Resistance: Standard operating range from -40°C to +85°C, with higher temperature variants available.
  • Stable Activation Points: Ensures consistent sensing performance even in fluctuating environmental conditions.
  • Compact & Customizable: Ideal for space-constrained applications with flexible design options.
Function Type – S (Switch), L (Latch)Standard (S) Switch
Latch (L)
Micro-power (Switch only)
Sensing Range – OperateStandard (S) Switch 95G
Latch (L) 22G
Micro-power 37G
Sensing Range – ReleaseStandard (S) Switch 70G
Latch (L) -23G
Micro-power 31G
Voltage SupplyStandard 3-24V, Micro-power 2.5-3.5V
Current SupplyStandard 4mA, Micro-power 2mA
Output Leakage Current Max.Standard 10μA, Micro-power 1μA
Output On Voltage Typ.Standard 185mV, Micro-power 100mV
Chopping Frequency Typ.Standard 800kHz, Micro-power 340kHz
Operating Temperature-40 to 85C (Higher temp. versions available)
  • Speed sensing
  • Surface mount designs
  • Programmable and polarity-sensitive systems
  • Industrial, automotive, and consumer electronics

Contact Standex Detect