Introducing Standex Detect, a New Name in Precision Electronics

Standex Detect is part of the newly rebranded Standex Electronics family. Our focus remains on precision reed switches, sensors, and relays that deliver the right design, at the right time, at the optimal cost. Read our press release to learn more about how this change strengthens our global collaboration and innovation.

English
Home Products Relays Optocouplers 525 Series Optocouplers

525 Series Optocouplers

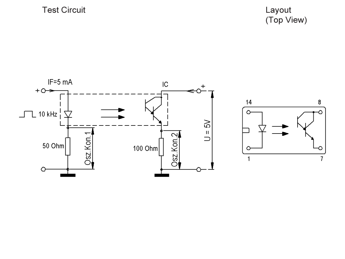
The 525 Series Optocouplers are high-isolation, solid-state devices designed for galvanic separation in intrinsically safe circuits and other high-reliability applications. With a minimum isolation voltage of 4,000 VDC, these optocouplers ensure safe signal transmission between input and output, even in environments with flammable gases or high electrical noise.

Certified to ATEX and IECEx standards, the 525 Series supports both analog and digital signal transfer with minimal coupling capacitance and fast switching speeds. The use of a photo-diode output enables short cycle times and signal inversion capabilities, while the non-mechanical design ensures long operational life and immunity to magnetic fields.

With a compact footprint and creepage/air path distances of up to 14.5 mm, these optocouplers meet stringent safety requirements and are ideal for use in hazardous and industrial environments.

Type of protection: II (1) G [Ex ia Ga] II C
In accordance with: EN 60079-0, EN 60079-11

  • ATEX & IECEx certified for use in explosive or hazardous environments
  • Galvanic isolation up to 4,000 VDC between input and output
  • Supports analog and digital signal transmission
  • Fast switching times (typ. 5.5 µs on / 4.2 µs off)
  • High insulation resistance up to 10¹² Ω
  • Minimal coupling capacitance for clean signal separation
  • Compact design with 14.5 mm creepage and air path distances
  • Non-mechanical switching for long operational life
  • Immune to magnetic fields and environmental interference
  • Signal inversion capability for flexible logic control
Isolation Voltage Input/Output Min. (VDC)4000
Current Transfer Ratio lc/lf (lf = 10mA) Min.0.5
Turn On/Off Time(µsec)5.5/4.2
Collector-Emitter Voltage (VDC) Max.32
Creeping Distance, Air Path I/O Min. (mm)14.5
Ambient Temperature °C-40 to 85
  • Oil & Gas: Signal isolation in control systems for flammable environments
  • Mining Operations: Safe switching in explosive atmospheres
  • Medical Equipment: ESD-resistant signal separation in sensitive devices
  • Test & Measurement: High-speed signal transfer in precision instruments
  • Automation Systems: Galvanic isolation in industrial control circuits
  • Energy & Power Systems: Isolation in renewable and conventional energy systems
  • Process Control: Safe signal routing in hazardous production environments

Contact Standex Detect