Introducing Standex Detect, a New Name in Precision Electronics

Standex Detect is part of the newly rebranded Standex Electronics family. Our focus remains on precision reed switches, sensors, and relays that deliver the right design, at the right time, at the optimal cost. Read our press release to learn more about how this change strengthens our global collaboration and innovation.

English
Home Products Relays Optocouplers 530-03 Series Optocouplers

530-03 Series Optocouplers

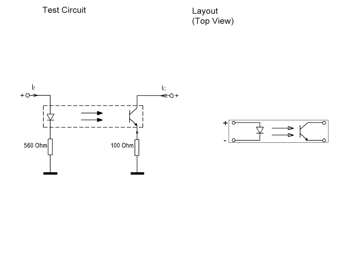
The 530-03 Series Optocouplers are high-voltage, solid-state isolation devices designed for galvanic separation in intrinsically safe and high-reliability circuits. With isolation ratings up to 20,000 VDC and insulation resistance up to 10¹² Ω, these optocouplers provide secure signal transmission between input and output, even in environments with flammable gases or high electrical interference.

Supporting both analog and digital signal transfer, the 530-03 Series features fast switching times (5.5 µs on / 4.2 µs off), minimal coupling capacitance, and a photo-diode output for short cycle times. The non-mechanical design ensures long operational life and immunity to magnetic fields. With a creepage and air path distance of 34 mm, the series meets stringent safety standards for hazardous environments.

These optocouplers are ideal for use in industrial systems requiring high isolation, fast response, and reliable performance under extreme conditions.

  • Galvanic isolation up to 20,000 VDC between input and output
  • High insulation resistance up to 10¹² Ω
  • Supports analog and digital signal transmission
  • Fast switching times (5.5 µs on / 4.2 µs off)
  • Minimal coupling capacitance for clean signal separation
  • Signal inversion capability for flexible control logic
  • Non-mechanical switching for long operational life
  • Immune to magnetic fields and environmental interference
  • Extended creepage and air path distance of 34 mm for enhanced safety
  • Cut-off frequency up to 50 kHz for responsive signal handling
Isolation Voltage Input/Output up to (VDC)20,000
Current Transfer Ratio lc/lf (lf = 10mA) Min.0.5
Cut-Off Frequency50kHz
Turn On/Off Time(µsec)5.5 / 4.2
Collector-Emitter Voltage (VDC) Max.32
Creeping Distance, Air Path I/O Min. (mm)34
Ambient Temperature °C-40 – 85
  • Oil & Gas: Signal isolation in control systems for flammable environments
  • Mining Operations: Safe switching in explosive atmospheres
  • Medical Equipment: ESD-resistant signal separation in sensitive devices
  • Test & Measurement: High-speed signal transfer in precision instruments
  • Automation Systems: Galvanic isolation in industrial control circuits
  • Energy & Power Systems: Isolation in renewable and conventional energy systems
  • Process Control: Safe signal routing in hazardous production environments

Contact Standex Detect